TS 4000 EN 1-6 s krakom za kočenje * Zatvarač vrata s polužjem za jednokrilna vrata sa širinom krila do 1400 mm
- Kontinuirano namjestiva sila zatvaranja bez prijelaza EN1-6
- Može se upotrebljavati za vrata s otvaranjem nadesno i nalijevo bez premještanja
- Hidraulični graničnik koji ubrzava vrata tik prije zatvorenog položaja
- Brzina zatvaranja može se individualno namjestiti
- Integrirano prigušenje otvaranja, koči snažno otvorena vrata
- Optički indikator sile zatvaranja za lakšu kontrolu namještanja
Područja primjene
- Desna i lijeva zaokretna vrata
- Zadržavanje vrata u otvorenom položaju bez protudimnih ili protupožarnih zahtjeva
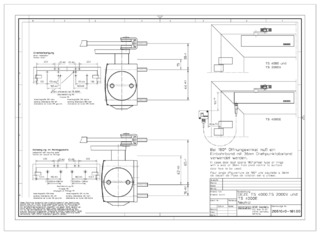
- Zaokretna vrata s širinom krila do 1400 mm
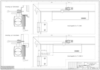
- Montaža krila vrata na strani spojnica
- Ugradnja na gornju prečku na suprotnu stranu spojnica
- Za montažu s paralelnim krakom na krilo vrata na stranu suprotnu spojnicama
Specifikacije proizvoda
| TS 4000 EN 1-6 s krakom za kočenje | |
| Sila zatvaranja prema EN 1154 | EN 1 - 6 |
| Širina krila (maks.) | 1400 mm |
| Vrsta montaže | Montaža krila vrata na strani spojnica |
| Kut otvaranja (maks.) | 180 ° |
| Podesiva sila zatvaranja | Da, kontinuirano |
| Podesiva brzina zatvaranja | Da |
| Podesivi završni moment zatvaranja | Da, preko polužja |
| Integrirani prigušivač otvaranja | Ja, hidrauličko namještanje |
| Položaj namještanja sile zatvaranja | Sprijeda |
| Optički indikator sile zatvaranja | Da |
| Blokada | Mehaničko |
| Područje blokade | 50 ° - 170 ° |
Preuzimanja
LABELLING OBLIGATION: © GEZE GmbH
Varijante i pričvrsni materijal
* Obavijest o prikazanim proizvodima
Prethodno navedeni proizvodi mogu se razlikovati što se tiče oblika, tipa, karakteristika i funkcija (dizajn, dimenzije, dostupnost, odobrenja, standardi itd.) ovisno o državi. Ako imate dodatna pitanja, obratite se svojoj osobi za kontakt GEZE ili nam pošaljite E-Mail .