TS 4000 E * Zatvarač vrata s polužjem za jednokrilna vrata sa širinom vrata do 1400 s električnom blokadom
- Kontinuirano namjestiva sila zatvaranja bez prijelaza EN 1-6
- Radni napon 24 V DC
- Može se upotrebljavati za vrata s otvaranjem nadesno i nalijevo bez premještanja
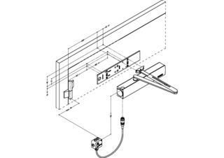
- Električna blokada s područjem blokade 80°-175°
- Električna blokada prema EN 1155 prikladna za uređaje za blokadu
- Mehanički završni moment zatvaranja, koji ubrzava vrata tik prije zatvorenog položaja
- Brzina zatvaranja može se individualno namjestiti
- Optički indikator sile zatvaranja za lakšu kontrolu namještanja
- Sve funkcije mogu se podesiti sprijeda (osim završnog momenta zatvaranja)
Područja primjene
- Protupožarna i protudimna zaštitna vrata
- Desna i lijeva zaokretna vrata
- Zaokretna vrata s širinom krila do 1400 mm
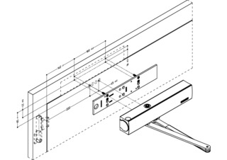
- Montaža na krilo vrata na strani spojnica i montaža na okvir na strani suprotnoj spojnicama
Specifikacije proizvoda
| TS 4000 E | |
| Sila zatvaranja prema EN 1154 | EN 1 - 6 |
| Bez prepreka u skladu s DIN 18040 do širine vrata (maks.) u mm | 1400 mm |
| Širina krila (maks.) | 1400 mm |
| Vrsta montaže | Montaža krila vrata na strani spojnica, Ugradnja na gornju prečku na suprotnu stranu spojnica |
| Kut otvaranja (maks.) | 180 ° |
| Ulazni napon | 24 V DC |
| Prikladnost za protupožarna vrata | Da |
| Podesiva sila zatvaranja | Da, kontinuirano |
| Podesiva brzina zatvaranja | Da |
| Podesivi završni moment zatvaranja | Da, preko polužja |
| Položaj namještanja sile zatvaranja | Sprijeda |
| Optički indikator sile zatvaranja | Da |
| Blokada | Električno |
| Područje blokade | 80 ° - 175 ° |
Preuzimanja
Varijante i pričvrsni materijal
* Obavijest o prikazanim proizvodima
Prethodno navedeni proizvodi mogu se razlikovati što se tiče oblika, tipa, karakteristika i funkcija (dizajn, dimenzije, dostupnost, odobrenja, standardi itd.) ovisno o državi. Ako imate dodatna pitanja, obratite se svojoj osobi za kontakt GEZE ili nam pošaljite E-Mail .