TS 4000 EN 1-6 * Overhead door closer with link arm for single leaf doors with a leaf width of up to 1400 mm
- Closing force EN1-6 with variable adjustment
- Can be used for right and left hand doors without conversion
- Mechanical latching action which accelerates the door shortly before the closed position
- Closing speed can be individually adjusted
- Integrated back check, slows down doors that are thrown open forcefully
- Visual closing force display for easy control of the setting
Application Areas
- Fire and smoke protection doors
- Right and left single-action doors
- Single-action doors up to 1400 mm leaf width
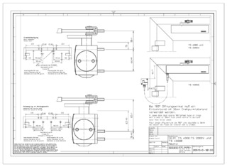
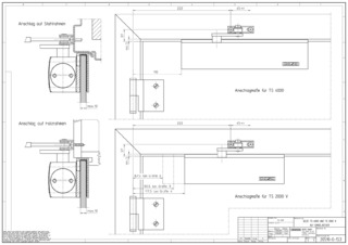
- Door leaf installation hinge side
- Transom installation opposite hinge side
- For parallel arm installation on the opposite hinge side of the door leaf
Technical data
| TS 4000 EN 1-6 | |
| Closing force in accordance with EN 1154 | EN 1 - 6 |
| Barrier-free in accordance with DIN 18040 up to leaf width (max.) in mm | 1100 mm |
| Leaf width (max.) | 1400 mm |
| Type of installation | Door leaf installation hinge side, Transom installation opposite hinge side |
| Opening angle (max.) | 180 ° |
| Suitability for fire protection doors | Yes |
| Closing force adjustable | Yes, stepless |
| Adjustable closing speed | Yes |
| Latching action adjustable | Yes, via link arm |
| Back check integrated | Yes, hydraulically adjustable |
| Position of closing force adjustment | Front |
| Visual closing force display | Yes |
| Hold-open function | Optional |
Downloads
LABELLING OBLIGATION: © GEZE GmbH
LABELLING OBLIGATION: © GEZE GmbH
Variants & Accessories
* Notice about the products displayed
The products mentioned above may vary in form, type, characteristics and function (design, dimensions, availability, approvals, standards etc.) depending on the country. For questions please contact your GEZE contact person or send us an E-Mail .